Home
Contact Us
Plant Tour
About
Hurst Boiler and Welding Company, Inc.
Company History
Boiler Frequently Asked Questions
Global Sales
Hurst Events and Shows
Environmental Commitment
OEM Equipment
Literature Library
Boilers
Scotch Marine Boilers
Firebox Boilers
Vertical Boilers
Low NOx Boilers
Boiler Auxilliary Equipment
Solid Fuel Fired Boilers
Biomass Boiler Systems
Boiler Parts and Service
Skid Packaged Boiler Systems
Hybrid Hot Water Condensing Systems
Boiler CAD Drawings
Watertube Boilers
Biomass
Biomass Boiler Systems
Solid Fuel Burners
Solid Fuel Fired Boilers
Coal Fired Boilers
Wood Fired Boilers
Hybrid Boilers
Boiler Add Ons
Feedwater Systems
Integrated Control Systems
Stack Economizers
HVAC Software
AIA MasterSpec®
Blowdown Separators
News
Boiler News
Biomass News
Press Releases
Case Studies
Media Center
CAD Drawings
Boiler Videos
Image Galleries
Literature Library
Sales & Support
Global Sales
Boiler Support
Boiler Parts and Service Request
Literature Library
Contact
CAD Drawings
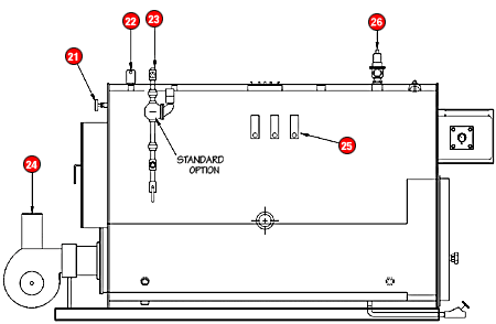
Click on a Diagram Number For Details and to Order Online
RIGHT SIDE VIEW
FRONT VIEW
Back to Previous Page
©2026
Hurst Boiler & Welding Co, Inc.
All Rights Reserved.